Van an toàn thép WCB được thiết kế chắc chắn, tự động xả áp khi vượt ngưỡng cài đặt, bảo vệ an toàn cho nồi hơi, bình áp lực, khí nén và đường ống. Với thiết kế nhỏ gọn, kết nối mặt bích PN16 tiêu chuẩn và dễ dàng lắp đặt, van an toàn lò xo A48Y-16C là lựa chọn tối ưu để nâng cao độ tin cậy, hiệu quả vận hành và tính an toàn cho toàn bộ hệ thống.
Thông tin van an toàn thép WCB
Van an toàn thép WCB tại kho van công nghiệp giá rẻ được đặt và gia công trực tiếp tại nhà máy từ Trung Quốc. Van được gia công theo đúng tiêu chuẩn tương đương tiêu chuẩn DIN( Đức)
Video được quay trực tiếp tại kho Van công nghiệp giá rẻ
Giới thiệu van an toàn thép WCB tại Van công nghiệp giá rẻ
Van an toàn thép WCB A48Y-16C DN25×40 là thiết bị bảo vệ không thể thiếu trong hệ thống đường ống, nồi hơi và bình chịu áp. Van được thiết kế theo tiêu chuẩn GB/T, sử dụng thân bằng thép đúc WCB, bề mặt làm kín và ty van bằng thép không gỉ 20Cr13, kết hợp lò xo đàn hồi 50CrVA có độ bền cao.
Khi áp suất trong hệ thống vượt quá mức cài đặt, lò xo sẽ bị nén và đĩa van tự động mở ra để xả áp, đảm bảo an toàn cho thiết bị và con người. Với kết nối mặt bích PN16, van dễ dàng lắp đặt, vận hành ổn định và có tuổi thọ lâu dài trong nhiều môi trường làm việc khác nhau như hơi nóng, khí nén, nước và dầu.
Catalog van an toàn thép WCB van công nghiệp giá rẻ

Cấu tạo van can toàn thép WCB
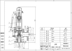
Cấu tạo chi tiết
Nozzle (Van ngồi / Seat – Ref.1)
Vật liệu: 20Cr13 (thép không gỉ martensitic, chống mài mòn tốt)
Là nơi tiếp xúc trực tiếp với đĩa van, tạo bề mặt làm kín ngăn áp suất rò rỉ.
Body (Thân van – Ref.2)
Vật liệu: WCB (thép đúc carbon)
Chịu toàn bộ áp lực làm việc, có cửa vào (DN25) và cửa ra (DN40), kết nối bằng mặt bích PN16.
Disc (Đĩa van – Ref.3)
Vật liệu: 20Cr13
Tiếp xúc trực tiếp với nozzle, đóng/mở để giữ hoặc xả áp khi vượt ngưỡng cài đặt.
Bonnet (Nắp chụp – Ref.4)
Vật liệu: WCB
Bao che và cố định cụm lò xo – ty van, đồng thời định vị hướng thoát của lưu chất.
Spring (Lò xo – Ref.5)
Vật liệu: 50CrVA (thép hợp kim đàn hồi cao)
Được nén để cài đặt áp suất mở van. Khi áp suất trong hệ thống lớn hơn lực nén, lò xo giãn ra cho phép đĩa van mở.
Stem (Ty van – Ref.6)
Vật liệu: 20Cr13
Truyền lực từ đĩa van lên lò xo, giữ ổn định quá trình đóng/mở.
Tóm lại: Van gồm 6 bộ phận chính: thân, nắp, đĩa, ngồi van, lò xo, ty van – tất cả phối hợp để đảm bảo chức năng tự động xả áp và tái đóng kín.
Nguyên lý hoạt động van an toàn thép WCB
Khi áp suất < áp suất cài đặt → lò xo giữ chặt đĩa van đóng kín.
Khi áp suất ≥ áp suất cài đặt → áp lực thắng lực lò xo, đĩa van nhấc khỏi nozzle → môi chất thoát ra, giảm áp hệ thống.
Khi áp suất giảm xuống < cài đặt → lò xo đẩy đĩa van về vị trí đóng, hệ thống trở lại trạng thái an toàn.
Ưu điểm và nhược điểm của van an toàn thép WCB
Ưu điểm
Bảo vệ an toàn tuyệt đối
Tự động xả áp khi vượt quá ngưỡng cài đặt, ngăn ngừa sự cố nổ nồi hơi, đường ống hay bình áp lực.
Kết cấu đơn giản – hoạt động tin cậy
Chỉ gồm các bộ phận chính (thân, đĩa, nozzle, ty, lò xo, nắp chụp), ít hỏng hóc, dễ bảo dưỡng.
Điều chỉnh áp suất linh hoạt
Có thể thay đổi lực nén lò xo để cài đặt áp suất mở theo yêu cầu hệ thống.
Vật liệu bền, chịu áp tốt
Thân WCB chịu lực tốt.
Đĩa và seat bằng 20Cr13 chống mài mòn, kín khít.
Lò xo thép hợp kim 50CrVA có độ đàn hồi cao, tuổi thọ dài.
Khả năng làm việc đa dạng môi trường
Phù hợp cho hơi nóng, khí nén, dầu, nước, môi chất áp lực.
Kết nối mặt bích PN16 tiêu chuẩn
Dễ dàng lắp đặt và thay thế trong các hệ thống hiện có.
Van này an toàn – bền bỉ – dễ vận hành – linh hoạt áp dụng cho nhiều môi trường áp lực khác nhau.
Nhược điểm

Giới hạn dải áp suất
Mỗi loại lò xo chỉ phù hợp trong một khoảng áp suất nhất định.
Muốn thay đổi lớn phải thay lò xo khác, không linh hoạt bằng loại đòn bẩy.
Khó quan sát trạng thái hoạt động
Van chỉ mở khi vượt áp, không có dấu hiệu trực quan như van an toàn đòn bẩy (có cần gạt/quả nặng).
Dễ bị ảnh hưởng bởi rung động hoặc đóng mở nhiều lần
Nếu hệ thống thường xuyên dao động áp, lò xo có thể giảm độ đàn hồi theo thời gian.
Yêu cầu bảo dưỡng định kỳ
Cần kiểm tra, vệ sinh seat và disc thường xuyên để tránh rò rỉ.
Lò xo phải được kiểm định và hiệu chỉnh lại sau một thời gian sử dụng.
Giá thành cao hơn van an toàn đòn bẩy
Do cấu tạo chính xác hơn, vật liệu cao cấp hơn.
Van an toàn lò xo nhỏ gọn, chính xác nhưng cần bảo dưỡng thường xuyên, ít trực quan và giới hạn dải áp suất.
Ứng dụng van an toàn thép WCB
Nồi hơi – lò hơi (Boiler systems)
Ngăn ngừa sự cố nổ nồi hơi do áp suất hơi vượt mức.
Thường lắp trên đỉnh nồi hơi hoặc đường ống chính.
Bình áp lực – bồn chứa khí/nước/nhiên liệu
Bảo vệ bình khí nén, bồn LPG, bồn chứa hóa chất khi áp suất tăng cao.
Đường ống dẫn hơi, khí nén và chất lỏng áp lực
Đảm bảo đường ống không bị quá áp gây vỡ nổ.
Trạm khí nén – hệ thống máy nén khí
Xả áp an toàn khi máy nén hoạt động quá tải hoặc hỏng bộ điều khiển áp suất.
Ngành dầu khí – hóa chất
Bảo vệ bồn chứa, hệ thống ống dẫn các môi chất dễ cháy nổ như LPG, CNG, amoniac, hóa chất ăn mòn.
Hệ thống cấp nước – xử lý nước
Bảo vệ bơm và đường ống khi áp lực nước tăng đột ngột.
👉 Van này phù hợp cho mọi hệ thống có áp suất làm việc, đặc biệt là hơi nóng, khí nén, nước, dầu và hóa chất nhẹ, nhằm đảm bảo an toàn, tránh sự cố và kéo dài tuổi thọ thiết bị.
Van công nghiệp Giá rẻ
Van công nghiệp Giá Rẻ đầy đủ các thương hiệu, xuất xứ, đa dạng model và kích thước khác nhau.
Địa chỉ: 78 Thạnh ộc 14, An Phú Đông, Quận 12, Hồ Chí Minh, Việt Nam
Hotline: 0922 33 1388
Email: kienvanphatdat@gmail.com





				


				
Đánh giá
Chưa có đánh giá nào.