Trong các hệ thống dẫn hơi và chất lỏng nhiệt độ cao như hơi nước, dầu nóng, hay khí áp suất cao, van cầu hơi nóng PN16 đóng vai trò quan trọng trong việc điều tiết, kiểm soát và bảo đảm an toàn cho toàn bộ hệ thống. Cùng khám phá chi tiết về loại van này – từ cấu tạo, nguyên lý hoạt động cho tới các ưu điểm nổi bật và báo giá hiện nay.
Thông tin van cầu hơi nóng PN16
Dòng van cầu hơi nóng PN16 là một trong những sản phẩm chủ chốt tại kho van công nghiệp giá rẻ, được nhà máy làm trực tiếp và chuyển về kho tại TP. HCM Việt Nam, sản phẩm được thiết kế đúng theo kết cấu của van cầu, có bề mặt đĩa bằng chất liệu WCB + 13Cr( thép carbon) siêu bền bỉ và có khả năng làm kín siêu khít cho hệ hơi và khí
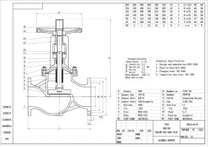
Catalog van cầu hơi nóng PN16 tại Van công nghiệp Giá rẻ

Giới thiệu về van cầu hơi nóng PN16 tại Van công nghiệp Giá rẻ
Van cầu hơi nóng PN16 là loại van điều khiển dòng chảy, thường được sử dụng trong môi trường có nhiệt độ cao như hệ thống hơi nước, khí nóng hoặc dầu nhiệt. Van có khả năng đóng mở một phần hoặc toàn phần, phù hợp cho việc điều tiết lưu lượng thay vì chỉ đóng/mở như các loại van khóa.
Cấu trúc van được thiết kế đặc biệt để chịu được áp lực và nhiệt độ cao mà không bị biến dạng hay rò rỉ. Phần thân thường làm từ gang, thép hoặc inox, tùy vào nhu cầu sử dụng và môi trường vận hành.
Video trực tiếp sản phẩm van cầu hơi nóng PN16 tại Van công nghiệp Giá rẻ
Cấu tạo cơ bản của van cầu hơi nóng PN16
Van cầu hơi nóng thường bao gồm các bộ phận chính:
| Tiêu chí | Van cầu bellows seal PN16 | Vật liệu chính |
|---|---|---|
| Cấu tạo kín trục | Dùng chuông kín (Bellows SS304) + packing | Chuông kín (Bellows) SS304 |
| Khả năng chống rò rỉ | Chống rò rỉ gần như tuyệt đối, đặc biệt cho môi chất độc hại | Gioăng (Packing) Graphite |
| Nhiệt độ làm việc | Lên đến 425°C nhờ bellows và graphite | Gioăng tổ hợp (Complex Gasket) 304 + Graphite |
| Tuổi thọ | Cao, bellows giúp giảm hao mòn packing | Thân van (Body) WCB + 13Cr |
| Bảo trì | Ít bảo trì hơn, an toàn trong vận hành | Nắp van (Bonnet) WCB |
| Ứng dụng chính | Nước, hơi, dầu, khí độc hại, môi trường nhiệt cao | Đĩa van (Disc) WCB + 13Cr |
| Giá thành | Cao hơn do cấu tạo phức tạp và vật liệu đặc biệt | Trục van (Stem) A182 F6a |
Cấu tạo hình quả cầu giúp van hoạt động linh hoạt trong việc điều tiết, đồng thời hạn chế tối đa sự ăn mòn hoặc hao mòn do nhiệt độ cao. Chúng đặc biệt với cấu tạo kín trục chuông kín (Bellows SS304) + packing được thiết kế riêng cho hệ thống hơi nóng
Nguyên lý hoạt động của van cầu hơi nóng PN16
Van hoạt động theo nguyên lý nâng hạ đĩa van thông qua ty xoay. Khi vặn tay van (hoặc dùng bộ truyền động điện/khi nén), trục ty sẽ di chuyển lên xuống để mở hoặc đóng đĩa van theo hướng vuông góc với dòng chảy.
Do thiết kế dạng tuyến tính, van cho phép điều chỉnh lưu lượng chính xác – rất phù hợp với hệ thống hơi nóng hoặc van cầu dầu nóng yêu cầu kiểm soát nhiệt chặt chẽ.
Ưu điểm nổi bật của van cầu hơi nóng PN16

Chịu nhiệt và áp cao tốt: Van được thiết kế đặc biệt để vận hành trong môi trường khắc nghiệt, lên đến 425°C và áp lực 25 bar (tùy loại).
Điều tiết tốt: So với các loại van như van bi hoặc van bướm, van cầu kiểm soát lưu lượng tốt hơn.
Độ kín cao: Gioăng chịu nhiệt cao cấp giúp chống rò rỉ tối đa.
Bền bỉ theo thời gian: Vật liệu chế tạo chắc chắn, ít hư hỏng trong điều kiện sử dụng đúng kỹ thuật.
Lắp đặt dễ dàng: Đa dạng kết nối: ren, mặt bích PN16, PN25, ANSI, JIS…
6. Ứng dụng thực tế của van cầu hơi nóng PN16
Van cầu được ứng dụng rộng rãi trong nhiều ngành nghề:
Nhà máy nhiệt điện, lò hơi: Điều tiết dòng hơi trong đường ống cấp nhiệt.
Ngành dệt nhuộm, cao su: Dùng van cầu dầu nóng để kiểm soát hệ thống gia nhiệt.
Thực phẩm, hóa chất: Yêu cầu vận hành liên tục và độ kín cao.
Tòa nhà, trung tâm thương mại: Dùng trong hệ thống cấp nước nóng, điều hòa trung tâm.
7. Báo giá van cầu hơi nóng PN16 giá rẻ
Giá của van cầu hơi nóng giá rẻ phụ thuộc vào nhiều yếu tố:

Chất liệu: Gang, thép, inox
Kích cỡ: DN15 – DN300
Áp lực làm việc: PN10 – PN25 hoặc tiêu chuẩn ANSI
Xuất xứ: Trung Quốc, Hàn Quốc, Đài Loan, Malaysia
| Loại Van | Chất liệu | Áp lực | Giá tham khảo (VNĐ) |
|---|---|---|---|
| Van cầu hơi gang DN50 | Gang xám | PN16 | 850.000 – 1.200.000 |
| Van cầu hơi thép WCB DN65 | Thép đúc | PN25 | 2.200.000 – 3.100.000 |
| Van cầu inox 304 DN40 | Inox | PN16 | 3.500.000 – 4.800.000 |
| Van cầu dầu nóng DN80 | Thép/Inox | PN16 – 25 | 2.800.000 – 5.500.000 |
📌 Lưu ý: Giá trên chỉ mang tính tham khảo. Vui lòng liên hệ trực tiếp để nhận báo giá tốt nhất theo số lượng và thương hiệu mong muốn.
Ngoài van cầu hơi nóng còn có các loại chuyên dụng dưới đây:
- Van cầu hơi nóng (Steam Globe Valve):
- Van cầu nước (Water Globe Valve):
- Van cầu dầu nóng (Oil Globe Valve):
- Van cầu hóa chất (Chemical Globe Valve):
Van cầu hơi nóng Pn16 là một trong những thiết bị không thể thiếu trong các hệ thống vận hành nhiệt độ cao với thiết kế riêng biệt chuyên dụng cho hệ hơi nóng. Có khả năng điều tiết linh hoạt, độ bền cao và tính an toàn vượt trội, đây là lựa chọn tối ưu cho nhiều ngành công nghiệp. Nếu bạn đang tìm kiếm van cầu dầu nóng, van hơi nóng hoặc các loại van chuyên dụng, hãy liên hệ ngay để nhận báo giá van cầu hơi nóng giá rẻ cùng chính sách hậu mãi hấp dẫn.
Van công nghiệp Giá rẻ
Van công nghiệp Giá Rẻ đầy đủ các thương hiệu, xuất xứ, đa dạng model và kích thước khác nhau.
Địa chỉ: 78 Thạnh ộc 14, An Phú Đông, Quận 12, Hồ Chí Minh, Việt Nam
Hotline: 0922 33 1388
Email: kienvanphatdat@gmail.com













Đánh giá
Chưa có đánh giá nào.